7201 A AC B Angular Contact Ball Bearing Arrangement
      
        Angular contact ball bearings can bear radial load and axial load at the same time. Can work at higher speeds. The larger the contact angle, the higher the axial load carrying capacity. The contact angle is the angle between the line connecting the contact points of the ball and the raceway in the radial plane and a line perpendicular to the bearing axis. High-precision and high-speed bearings usually take a contact angle of 15 degrees. Under the action of axial force, the contact angle will increase.
Single row angular contact ball bearings:7000C, 7000AC, 7000A, 7000B
Combined angular contact ball bearing:Face to face (DB), back to back (DF), tandem (DT), triple
Double row angular contact ball bearings
Four point contact ball bearing:QJ0000, QJF0000
Angular contact ball bearing uses: aircraft engine spindle, machine tool spindle and other high-speed precision mechanical spindles. Also used in high frequency motors, gas turbines, oil pumps, air compressors, printing machinery, etc.
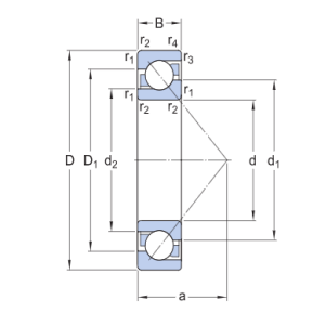
7201 A AC B Angular Contact Ball Bearing
Picture of 7201 A AC B Angular Contact Ball Bearing
Parameter of 7201 A AC B Angular Contact Ball Bearing
| Bore diameter (d) | 12mm | 
| Outside diameter (D) | 32mm | 
| Width (B) | 10mm | 
| Basic dynamic load rating Cr | 7.61KN | 
| Basic static load rating Cor | 3.8KN | 
| Weight | ≈  0.036KG | 
Packing of 7201 A AC B Angular Contact Ball Bearing
1. Bulk packaging = simple packaging and economic cost;
2. Neutral brand = no brand/your brand, white single box;
3. HGF brand, TCV brand, UGK brand, our own brand packaging box;
4. OEM, accept your brand box customizing;
About Production
HGF factory was built on 2008, covering 30000 square meters, 2000 square meters workshops;
Our products passed ISO 9001, CE, SGS certificates etc; had exported more than 120 countries and 50 brand agents in the world;
Our advantage:
Choose excellent steel raw material;
3 production lines and 60 sets machines, produce and assembling various types of bearings;
High-precision testing equipment; 20 professional quality inspection team;
1000M² packing workshop; 4 packing teams;
Intelligent storage, different types and sizes of bearings are stored separately.
Rich exporting experience, offer better shipping suggestion;
CONTACT US:
MIKE GUO:
TEL: 0086 531 82890388
EMAIL: hgzc@hgzc.com;
WHATSAPP & WECHAT: 0086 18805311522
SKYPE: live:jnbearing_1
Thanks for choosing us !!!
Related News
Submitted successfully
We will contact you as soon as possible

 Español
 Español
 Português
 Português
 العربية
 العربية
 Türk
 Türk

 
                      
                     
                      
                     
                      
                     
                      
                    








 
                   
                   
                  